Промежуточное реле LY4 220В с подсветкой
Description
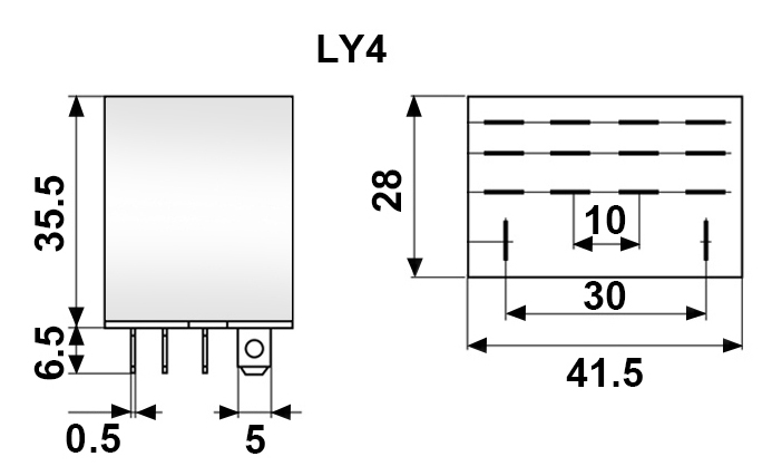
Реле промежуточные модульной серии LY3 предназначены для передачи команд управления исполнительными элементами путем коммутации их электрических цепей своими переключающими контактами. Реле соединяются с колодками, устанавливаемыми на 35-мм монтажной DIN-рейке. На разъемах расположены зажимы выводов переключающих контактов и катушки. В реле применяются серебросодержащие контакты, а также имеется диод для индикации.









