Промежуточное реле LY4 24В DС
Description
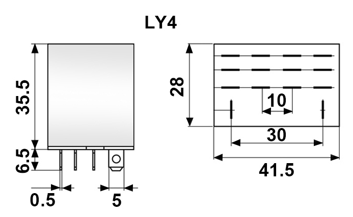
Реле промежуточные модульной серии LY4 предназначены для передачи команд управления исполнительными элементами путем коммутации их электрических цепей своими переключающими контактами. Реле соединяются с колодками, устанавливаемыми на 35-мм монтажной DIN-рейке. На разъемах расположены зажимы выводов переключающих контактов и катушки. В реле применяются серебросодержащие контакты.





